Текущее время: 27 мар 2026, 18:21

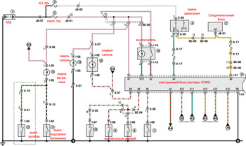
ETWIS

Подробности


tereik
ETWIS
13 дек 2009, 19:35
1007
Не оценено

Оставить комментарий

Код подтверждения
Введите код в точности так, как вы его видите. Регистр символов не имеет значения.
Смайлики
:D :mad: ;) :Heppy: :think: :cry: :roll: :bye: :ooi: :oops: :o :pst: :roul: :P :vip: :( :cens: :z) :udiv: :hb: :[|]: :faceoff: :troll:
Ещё смайлики…
BBCode ВКЛЮЧЁН
[img] ВКЛЮЧЁН
[flash] ВЫКЛЮЧЕН
[url] ВКЛЮЧЁН
Смайлики ВКЛЮЧЕНЫ
Введите здесь Ваш комментарий (не более 1024 символов).

Комментарии

Комментариев ещё нет

Вернуться в tereik