Клуб владельцев корейских автомобилей

KIAвод - есть боевая единица сама в себе, способная справиться с любой мыслимой и немыслимой неожиданностью...

Пропустить

  • База знаний
  • Галерея
  • Награды
  • Регистрация
  • Вход

Текущее время: 27 мар 2026, 10:17

  • Автомобильный форум ‹ Галерея ‹ Персональные альбомы ‹ Xgroup
  • Изменить размер шрифта
  • Мобильный вид

Слайдшоу

Чтобы начать слайдшоу, нажмите на название одной из картинок, а затем нажмите на иконку "Пуск":

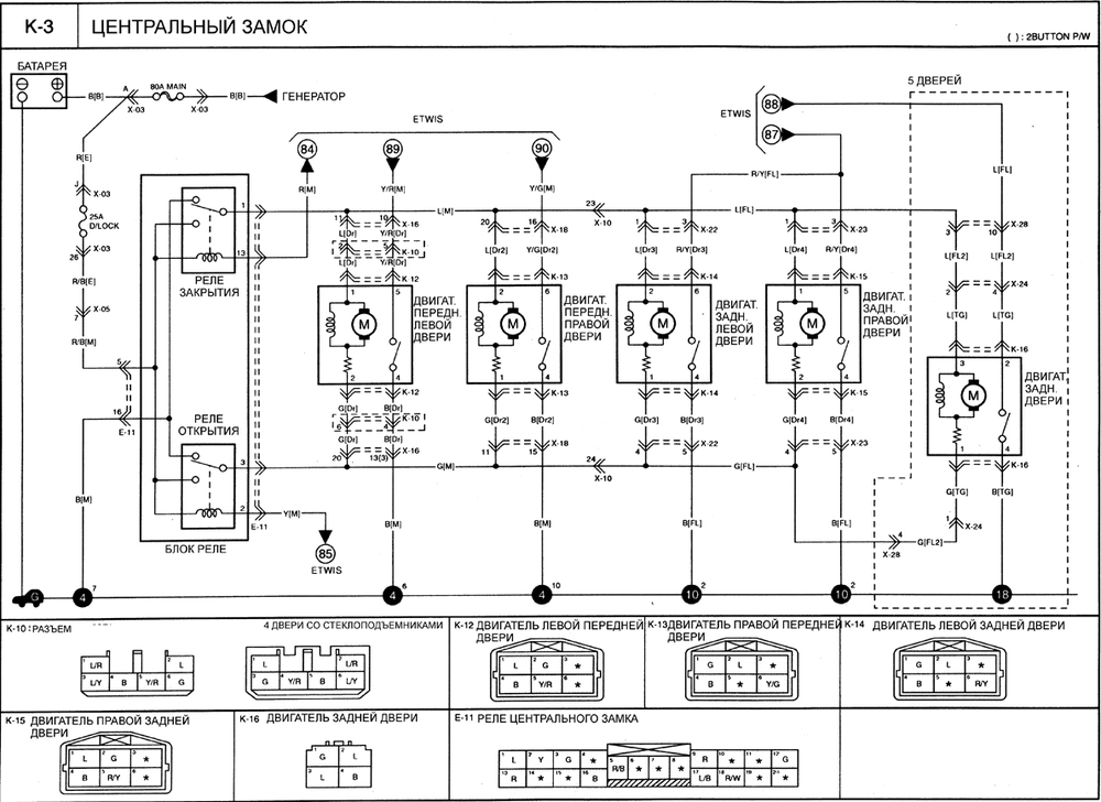
НТВ, Пеноблок, Капот_6, Капот_5, Капот_4, Капот_3, Капот_2, Капот_1, Комбинация приборов, Багажное отделение, Схема сигнализации, ETWIS, Центральный замок, Бортовой компьютер, Бортовой компьютер, Бортовой компьютер, Бортовой компьютер

  • Автомобильный форум
  • Мобильный вид • Наша команда • Удалить cookies конференции • Часовой пояс: UTC + 4 часа [ Летнее время ]
Создано на основе phpBB® Forum Software © phpBB Group
Русская поддержка phpBB
Time : 0.091s | 16 Queries | GZIP : On

Valid XHTML 1.0 Strict Рейтинг@Mail.ru LiveInternet: показано число просмотров за 24 часа, посетителей за 24 часа и за сегодня