Текущее время: 27 мар 2026, 06:48

Слайдшоу

Чтобы начать слайдшоу, нажмите на название одной из картинок, а затем нажмите на иконку "Пуск":

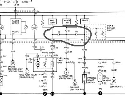
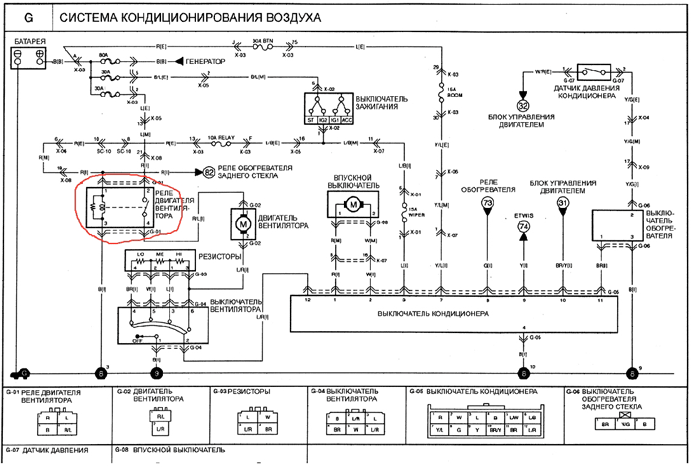
Погода :(, Доверчивая, Ограничение, Завтрак, Ара, "Обрусевший" попугай, Гордый птиц, Кондор, Кондор, Бобр, Бобр в своем маленьком "Б..., Волчица "Тень" обрывает т..., Забронзовел, Смерть Кащея, Все в сад, дефлекторы, Доработка конструкции по ..., военный, Чисто немецкое авто, деноминация, Всякая чушь снится, Комутатор двигателя стекл..., Крышка комутатора двигате..., очиститель, танк т-95Х, полироль для восстановлен..., дот-5,1, очиститель, Буква Ё, для хрома, тормозная, полироль, моя кухня, моя кухня, моя кухня, Моя кухня, моя кухня, Моя кухня, Моя кухня, Авария, Авария, Авария, Авария, Авария, Парковка, fgunk, ДТП, Голубая луна, Опирус, Блондинко, Схема, Проходная цеха, Новогодние подарки, Новый год, Любовь и опыт, Заплатите налоги, Экстаз, Центр решения супржеских ..., Полиграф, Плавали!-4, Плавали!-3, Плавали!-2, Плавали!-1, Плавали!, Задняя подвеска Kia Sport..., Тату, Тату, Йолко2, Йолко, Новогодняя правда, Нас больше, блохи на собаке, паывп, пп, вуц, Здесь выезд, вдв2, вдв, vin, Никто не знает, Судьба такой, Жена универсальная, Мягкая посадка, Корм энергичных кошек, вывыв, фв, фыв, фыв, фв, ыфв, ыфв, Санта не пристегнулся, сдала, сдала, сдала, сдала, Зеркало, курецо, Мото гамбургер, Лошадиные силы, Полный писец, Спел 19 песен, ДЕМОКРАТИЧЕСКИЙ ВЫБОР, Начало конца, Постсоветская демократия, Рембрандт, Андрей Будаев, Молодые ещё, жизни не видели, 1933, Женщина киллер, Кащей бессрочный, Вот и у меня есть, Субординация, Как сохранить работу, рамка, санки, fds, автобус, подарок, двд, парк4, примерзла, рнернр, цукй, Тонкая настройка, ДТП_1, Вот такая должна быть шап..., реклама, 123-25, 123, Ст.Оскол, Лежачий полицейский, Пойми, так даже вопрос не..., Скажи нет наркотикам, Sportage, ав, Твой голос важен как нико..., Буратно остаётся собой, кот, Детские грабли, Большевистские "рейхсмарки", "Керенки" - деньги Времен..., Мухтар, Иван на форуме, торт имениннику, шпектра, запор, запор, победа, Мэрия бессмертна, Самоделкин, Ugon, e5, d4, c3, b2, a1, игрушка, Предвыборная компания по ..., пл, fuse, Предохранители Спектра, силиконовая смазка, сексуален, живот, dvig, зажигаем!, новое, унитаз, снег, Интеллект вид сзади, 1311, растяжка, под, в туза, ретро, Чехлы, Фильтры, балкон, веник, но666, святой, Nomerok, см2, см1, иии, ннн, Поезд..., Мужчины..., осёл, trn, Силиконовая долина, гидро, пр, жд, ждол, пф, вавыа, aw, пыв, Диск, диск, заперли..., Лужа, Ceed 3 door 1, Ceed 3 door, ручки кресла, А ну ка девушки, коррупция, трамвай, ывеир, Моя нога, Камень, Море, Водопад2, Водопад1, Водопад, Мост, Дорога, Дно, А бог его знает что это, Берег, Закат, disk, ук, кос, коз, Схема, Метро Токио, метро, Ух, Сон, воробей, Дискомфорт в теле, тяпницо, Рио, sorentoij2, sorentoij, Vot, Просто детская книжка, крака, табл, переход, летающ, топор, блонди, звуковой барьер, пи, к4, к3, к2, гаи, Резина на СИД, Диск на СИДа, голуб, торт для Иры, Счастье в личной жизни, Утро не задалось, Card, оЧепятка в мануале на КИА..., МухО, выходи биццо!, вин, вин, Брилллианты!!!! ))))), NordFrost5 DD, Охотник до баб, Конкурсаитки, ду6, 2в1, угон, Зерновой спирт лучше, Собачья версия 2, Честность, Тормозные колодки, Тема груди, 038, 037, 036, 035, 034, 033, 032, 031, 025, 024, 023, 022, с021, 020, 019, 018, 017, 016, ямка, грязь, gfnhe,jr, гур, пинг, вар, р115, р114, 113, 112, р111, кино, акула, р110, р109, р108, р107, р106, анимэ, мусор, р105, р104, р103, р102, р101, Корень зуба, Атракцион, газ, пар, хаба-хаба, уха, Пришел пятницо, ло2, непарков, Тормоз, 39369, раки, п5, ду5, и21, и20, и19, и18, и16, и15, и14, и13, и12, и11, и10, и9, и8, и7, и6, ду4, боян, пробка, пут, и5, и4, и3, и2, и1, звери, колхоз-ксенон, пкаперке, ектеог9, пьшош, внтр, chasotka 1, scabies, chasotka, ду3, мен-0010, коб-0009, дан-0008, по-0007, ку0006, з5, з4, х3, ф2, бм1, СЛУЖБА В РВСН, 49114, прпр, сз3, коз, евев, на, кф, па, зс, стерео, парк4, медуза, пон, ук, мод2, мод1, зачетка, кош, 222, пт, парк3, мафынки, 12345, парк2, пят, ду2, кош, ду1, менеджер, ашан, капот, закон, доброе утро, джип, аптека, //, ВОМ, Кинешма, Кинешма, Кинешма, Кинешма, Кинешма, Кинешма, Кинешма, Кинешма, Кинешма, Кинешма, Кинешма, Кинешма, Кинешма, Плёс, Плёс, Плёс, Плёс, Плёс, Лодка, ппвпаыва, fff, ВооружеНа, туал, запор, ДТП, понашуму, светофор, выхлоп, пом, птички, авт-рынок, котяра, Плёс, Плёс, Плёс, Плёс, Плёс, Плёс, Плёс, Ярославль, Ярославль, Ярославль, Пикантыш, сам, Стучите громче, Коврики :), Коврики :), Головка, Схема ГУРа на Кларус2, Протекает шланг2, Протекает шланг1, парк, вод, ног, Игрушки для взрослых маль..., бб, а2, з2, ж2, яяя, ннн, ччч, яя, зз, аб, мх, юл, Ешк, ВП, кк, вк, мерс, ill1, глюк3, глюк2, глюк1, Ill, цвет, nero udf, Схема электростеклоподъем..., знак1, знак, Наклейка BIGGI, Рэйсер, piantik, быба2, рыба, даква, абрау, новороссийск, баква, канат2, канатка, грязь, кон, крпик, обратно, белшина, авария, игла, тема сисек, пик, жж, хто?, Яйца-2, Яйца-1, предлагаю, vin, Италия, неаполь, кафе, неаполь, кафе, Схема, Схема, Тест, море, Сон в машине, Помпеи, Помпеи, Помпеи, Помпеи, Помпеи, Помпеи, Помпеи, Помпеи, Помпеи, СанМарко, собор СанМарко, Венеция, пл.СанМарко, Венеция, утро в Венеции, утро в Венеции, утро Венеции, неаполь, Неаполь, Неаполь, Неаполь, Неаполь, Неаполь, Неаполь, Неаполь, Неаполь, vin, vin, Неаполь, Сан Анджело, Рим, копия Миланского собора в..., алтарь Мира, Рим, галерея Уффици, корридоры, Персей, бронза, Флоренция, Давид (Микеланджело), Фло..., галерея Уффици, Флоренция, Дуомо, Дуомо, Дуомо, Санта Мария дель Фиоре, Ф..., церковь Санта Кроче (Св.К..., Рим, храмы, Рим, храмы, Рим, центральный алтарь х..., Рим, Рим христианский, виды, Рим христианский, виды, Рим, виды, Рим, виды, Рим, виды, пл.Св.Петра, Ватикан, пл.Св.Петра, Ватикан, Палатин, Палатин, Рим, Палатин, Рим, Санта Мария дель Анджели, Санта Мария дель Анджели,..., Санта Мария дель Анджели,..., Санта Мария дель Анджели ..., церковь Санта Мария дель ..., термы Диоклетиана, Колизей, Колизей, Колизей, Колизей, запарковался..., Исполнение желаний, Было весело, Не мягкая посадка, fish, fish, fish, Угадай зверюшку, avto5, avto4, avto3, avto2, avto1, Тату отстой, Спидометр, Пижоны рафинированные, стабилизация, 1234, Направление движения, ссс, цццц, кот, сухой, пчела, парковка, скотч, Умнее на 2 сантиметра, Идиотская парковка, принадлежности, Ремень безопастности, Парковка, Идиотская парковка, Понедельник, Карамультук, различный взгляд, Матрицо 2, Матрица 1, п3, п2, п1, Засохни красиво, Ты где милый, 10 заповедей, Успокойтесь мужчина, таблицо, Обложко, Ура Питеру, Стол вырос до 16 столиков, Победитель конкурса, Три грации, КИА барышня и её МЧ, Дети это здорово, Дядя Фёдор, Кухня парится, Новые лица, Старая гвардия, Питерские барышни, первый загиб стола, Менеджер суетится, Так начиналось, Кофеварка сломалась, Грудь, Кола на Волге :) г. Кимры, Перебираемся в тепло, Начался дождь, Веселуха, И мотоциклу спасибо, От нашего стола вашему, Разминка, парковка на улице, дождя нет, В восьмом часу уже тусовк..., ввв, ббб, ааа, ..., ГТЦ, Меню, Где бы ты ни находился, Продажа авто, Мысль, оз8, оз7, оз6, оз5, оз4, оз3, оз2, оз1, ст, др, , Памятник счастью, из жизни, мир, жвачка, шаверма, родное, отруби, нет времени на курение, работа, just do it, игорь..., лучше, чем работать, СлучАй, зад3, зад2, зад1, зад, правперед, левпер, сочи, смени работу 7, смени работу 6, смени работу 5, смени работу 4, смени работу 3, смени работу 2, смени работу 1, Кратово, лампочка, ---, ---, Ужин студента, Питер, Декрет, зщш, Тряхнём стариной, Мужской мыслительный орган, Щастье, Ураган Казань, тонировка, изнутрЯ, тонировка, изнутрЯ, тонировка, сзади, тонировка, внешний вид, Accent Racing Club?, Рассол, Ураган Казань, Ураган Казань, Ураган Казань, USA, Просто сделай это, Game over, Мощнай, Львы, Дядя_Федор, Дядя_Федор, Губозакатыватель, Жизнь пошла, Предупреждали же, ошибочка, кр6, кр5, кр4, кр3, кр2, кр1, Жизнь мужчины до и после, Не все женщины одинаково ..., Ударим крепким сном, Всяко случается, Аргументы, Разочарование, Опус, Авария на Волоколамке, погр4, погр3, погр2, погр, сТОКГОЛЬМ, Турку, грязи, лотос, При всём богатстве выбора..., Лучши способ для карьеры, ыыыы, 2222, Нормальному коту...., 45, 34, Встреча в Меге 28.06.07, Встреча в Меге 28.06.07, Встреча в Меге 28.06.07, Встреча в Меге 28.06.07, Встреча в Меге 28.06.07, Встреча в Меге 28.06.07, Встреча в Меге 28.06.07, Встреча в Меге 28.06.07, Встреча в Меге 28.06.07, Встреча в Меге 28.06.07, Встреча в Меге 28.06.07, Встреча в Меге 28.06.07, Встреча в Меге 28.06.07, Встреча в Меге 28.06.07, Встреча в Меге 28.06.07, Встреча в Меге 28.06.07, Встреча в Меге 28.06.07, Встреча в Меге 28.06.07, Встреча в Меге 28.06.07, Встреча в Меге 28.06.07, Встреча в Меге 28.06.07, Встреча в Меге 28.06.07, Встреча в Меге 28.06.07, Встреча в Меге 28.06.07, new logan :), манты, тесто, фарш, клубная карта, клубная карта, свадьба, Секс на форуме, Женский мозг, Камень, Вентелятор, Мужской мозг, купина, монастырь, :), Мани, Сделай сам, Рублёвка., Хамер, Копейка, Парковка, Счастливого пути, Бульмастиф, огораживатели! вам, Наши в Москэбе! :), Гугля, 020, 019, 018, 017, 016, 015, 014, 013, 012, 011, 444, 333, 222, 111, Я всё объясню, Как у негра, Автостоп, ыsdgfh, 010, 009, 008, 007, 006, 005, 004, 003, 002, 001, замаскировался, рыбки, молюск, Кораллы, Скат, лого, Блондинко?, Блондинко?, Миксер, еее, Колобок, Балансировочный грузик АЛЬФы, Алгоритм решения проблем, Парковка, Парковка, Парковка, Парковка, Просто кот, ппп, Дайв, Дайвинг, Корректор фар, Фсем пишущим на Албанском, Приступаем, пЫво :), Логика, табличка, Пристегнись2, Пристегнись, :(, переделки авто, переделки авто, переделки авто, переделки авто, переделки авто, переделки авто, переделки авто, переделки авто, переделки авто, переделки авто, дедок, Компрессометр, Катя, Парковка, Тема груди, Компрессометр, Sephia Evolution I, код, крыло, ???, нннн, еееее, вввв, йййй, эмблема, Автомир, Автомир, Авария, дтп, 22, 11, Скат, Будуар на колёсах, Дополнение Суханово-2, Дополнение Суханово-2, Дополнение Суханово-2, Суханово 2, Суханово 2, Суханово 2, Суханово 2, Суханово 2, Суханово 2, t2, я в маске, панель, Баракуда, амамамамам, амамам, амиаи, какпи, капкпрр, каппр, капр, Винда, Шарм-3, Шарм-2, Шарм-1, Наклейка на рамку номера, три, два, Раз, БПМ, TK, Бланк-Заявка, кому на авеллу задние?, еее, бул, авто, Оболенский пер., Оболенские пер., (_!_), рачок, схема ДТП, vdfv, яяяя, Схема, ДТП, пейнт, приора, Приозерское шоссе, пищалки 2, пищалки1, аквас, аквас, щщщ, щщщ, щщщ, щщщ, щщщ, щщщ, щщщ, щщщ, щщщ, щщщ, щщщ, ууу, ццц, ййй, ййй, Тонировка, ввввввв, нннн, ппппппппппп, 33 водопада, 33 водопада, 33 водопада, 33 водопада, 33 водопада, 33 водопада, Неправильный мёд, Ситрокиа, Ситрокиа, Ситрокиа, Ситрокиа, Вариант-2, Вариант-1, Набор, Ситро, Ситро, скрин2, скрин, kia pikanto, Мир, Труд, Майбах, Читай инструкцию, Стоимость проезда, березка, сирень, Вечный двигатель, Москва 23/04/07, Москва 23/04/07, снег 23/04/07, Арка, краска, скрин 2, скрин, map, Парковка, Ночной перекусон ))), скрин72, лкп, повреждение лкп, скрин71, На распутье, скрин70, корель, шкалы, Мечта одинокого мужчины, Чебур....?, маркер2, маркер, Погода1, Декрет, Ceed Seats, Vin, Заначка, Парковка, Парковка, Парковка, Парковка, Парковка, Самый самый авто, скрин69, Авария 7, Авария 6, Авария 5, Виагра, скрин68, скрин67, скрин66, скрин65, скрин64, скрин63, скрин61, болотце, скрин60, скрин59, цветок, лягушки, Примета, Американский стандарт, Демократия по Американски, за..., зае..., скрин58, скрин57, скрин56, Любимый фильм, Парковка, 710, Авария, Sorento, фото4, фото3, фото2, пр.Добролюбова, Эго, Зима, ошибка, Халява, Эротика, парковка, тонировка, 1324, Обновление, версия2, с в а, сенг, 6 апр 2007. день., 6 апреля 2007, обед. Снег, снег, снег, бесподпеси, График смертности в России, Велик, Заплати налоги, Настоящая правда, скрин55, скрин54, На распутье, Жажда, Только не весна..., Лёгкий голод, Таблица, скрин53, скрин51, Шумка, правила, земля, ну-ну, Интуиция, скрин50, скрин49, скрин48, CIMG1533.jpg, CIMG1532.jpg, CIMG1531.jpg, CIMG1530.jpg, CIMG1529.jpg, CIMG1518.jpg, CIMG1517.jpg, CIMG1516.jpg, CIMG1515.jpg, Мойка, ответ, Авария 4, Авария 3, Авария 2, Авария 1, Епт!, Парковка, reyka, Alex698 Фото1, t-rex для Factori, Непосильные расценки, :), авария, скрин 3, карто, колецо, скрин, Прайс2, Прайс, скрин, пр, скрин2, ауу, скрин, Жизненный оптимизм, Политкорректность, Обманчивая внешность, загадка, скрин47, эксплорер, Парковка, 111, Детские паталогоанатомы, Переобулся1, припарковались..., Безрадостный топик..., katalizator, Заднее сиденье, Схема проезда, Восхождение, Метрология ...сисек, Are they real, Здравствуй, НАТО!, Лидеры продаж, Сравнительная таблица, Олигарх, сб, сб, Бордюр, Вариант, CIMG1506a.jpg, CIMG1505a.jpg, ДВОЙНАЯ АВАРИЯ, =), Перекресток, Ремень безопастности, Братья и сёстры, РУКОВОДЯЩАЯ И НАПРАВЛЯЮЩАЯ, Playboy and Gayboy, ВСЕГЕИ, скрин46, скрин45, скрин44, скрин43, скрин42, скрин41, скрин40, RioTormoz, Girls=Evil, Гармоничное распределение, Рядом всегда кто то есть, Отпускной билет, скрин37, скрин36, скрин35, скрин34, скрин33, скрин32, скрин31, скрин30, скрин29, Аватара :), скрин28, скрин27, скрин26, скрин25, кадр, Мася спит, кадр, Сходка, Ночь, улица, фонарь, апте..., Кадр, кино, фильм, кадр 2, фильм, скрин11, скрин10, скрин9, скрин8, фильм, скрин7, скрин6, скрин5, Мульт, скрин4, Мульт, Мульт, Мульт, Мульт, скрин3, скрин2, скрин1, женщинам, Милым дамам., акенкен, цветы, Масяня, Фильм, скрин, кино 2, кино, скрин 2, киновикторина, кино, моя, ЗУ-75 (старое), ЗУ-75, баран, 1,6 CVVT, Лесной примус, OZI, Карта, Вот нам всем от природы, Природа, Во какой пляж, Морошка, Восход, Сопки, Прыгнула, Водопад, Природа, Кападоккия, Природа, Природа, Природа, Природа, Природа, Аютайя, Аютайя, Закат на Ко Тао, Остров Ко Тао. Отлив, Острова Тайланда, Рисовые поля, Водопад. Окрестности Чанг..., Орхидеи, Орхидеи, Как дети, красота, нен, 11, 11, ТУ 22 М3, Акбар, Зимнее место фстречи, Соревнование, Парктроник, Типичный случай, Кик, Порез, psd6, psd5, psd4, psd2, psd1, ВОТ ОН, БУДУЮЩИЙ ЧЛЕН КЛУ..., мой машын, память, Циратёнок, Циратёнок, можно приступать к поеданию, блинчики, Ростов, Ростов, Ростов, Ростов, Ростов, Снег, Снег, Утро 15.02.2007, утро, утро, Валентинка, Вечная тема, Глюк на соренто-клубе - 2, Глюк на соренто-клубе, Spanish triatlon, Did I do it?, Задолбал, Подлокотник., Подлокотник., Подлокотник., Нормальному коту...., lion, lora, animals, Топ 10, 14, 13, 12, когда замерзают пИсалки..., ужасы нашего гаража-2, ужасы нашего гаража-2, ext, exist, Corretto, Фитнес центр, Бойся! :), mmm, На чем попасть на Эльбрус, Путин 2, Путин, завал, гараж, пропаханная нами колея, въезд в гараж, бикини, Спаси и сохрани, Cerato, Cerato, Кот и пиво, Соблюдай дистанцию, Поцелуй бордюра..., Деск, Первое следствие Основног..., Начало рабочей недели, Тема сисек, Десмонд Морри..., 1:1, Менеджмент по русски, Управляй мечтой, 12, период гона, У каждого свой интерес, Почему влюбляются М и Ж, Изделия, Женский авто, Каждый имеет право.....сл..., Светлая полоса в твоей жизни, Кусок мусора, Авелла, Трудный выбор, Каска, просто каска, На посту!, Парашутист, kue, Сладкая парочка, Boy Toy, 777, С 8 марта, Лошадка, Дом 2, Кот, Y хромосома, Жеребцы, Грудь, Карта для встречи уральцев, Светлая полоса в твоей жизни, Взятка опастна, Не привязывайте собак, Нельзя впихнуть, Тянет только целоваться, Опель отличная машина (от..., Мнение руководства, Durex, В ожидании идеального муж..., Сам такой, Сиськи, Жизнь такая штука, Женский мозг, Второе желание, Теперь не ломаюсь, Каждому - своё, корпоративка, метр пива, Супер диета, Вовка и Кристинка, Быкофф, Новенькие, Как напрячся, Тихий дон, Тебя посадят, а ты не воруй, Отопитель Рио-2, Приглашения в Травиане, KIA KUE3, KIA KUE2, KIA KUE, Свадебный вариант, Малевич, Салон сексуальной культуры, Правда жизни, Молодость, Медвед...и зайчик, Универсальный рецепт, медвед, 10 отличий, Happy Birthday, Точная настройка, Главное не победа, Виста глючит, Варианты ориентации, нррии, Соблюдай полярность, Хрупкая барышня, Клетка для дочери хомяка, on, Фары, Везёт же свиньям, Спойлер Спортаж3, Спойлер Спортаж2, Спойлер Спортаж(крепление), Спойлер Спортаж, Правая сторона, Левая сторона, Чайник :), Девушка и авто, Мозг мужчины, Почему влюбляются мужики, мой зато:), работа, Корпоративная вечеринка, Плакат для снятия стресса, Не нуно ..., 004, 003, 002, 001, Корень зуба, Новый год у всех бывает..., Тюнинг, Помощь, С новым 2007 годом, Намба ту для отчета, Намба уан для отчета, экономия, Версия PDA, Новогодняя передозировка, Котодержалка, Жесть, Чукотский сисадим, универсал???, Лошадь и авто, Снег есть! Он не может не..., С Новым Годом!!!, 111, Номер, С новым годом и - берегит..., ПЕСЕЦ, в партнёрку!, Приятного аппетита!, Приправа к супчику ;), Варим 5 минут с того моме..., В кипящую воду высыпаем п..., Пока вода кипит, открывае..., Солим, Наливаем воду..., саб, вот ,вернее, лицевая стор..., лицевая сторона, гы ))))), к теме, ISO, niva9, niva8, niva7, niva6, niva5, niva4, niva3, niva2, niva1, С Днем Энергетика!, Как вставить ссылку на со..., Как вставить ссылку на со..., ..., просто, Аня Седокова, 17 декабря (Коломенское), 17 декабря (Коломенское), Руль2, Руль1, Ночной перекусон (2:24), кончай работу!, fs, ehf, Контакты на магнитоле Kia..., Полируем..., etle///, о погоде, аэрография, аэрография, аэрография, Баян на Новокузнецкой ))), Женщина и авто, Женщина и авто, Женщина и авто, Женщина и авто, panel, 123, Петрович, 013, 012, 011, 010, 009, 008, 007, 006, 005, 004, 003, 002, 001, Где свистит?, 30/11/06(1), Всё своё вожу с собой! :), ))), межблок, осторожно: блондинка за р..., ny, Kia Rondo, она же Kia Car..., ик, Спам, lampa4, lampa3, lampa2, lampa, Откуда он тут?!, Панель Пиканто, Лед, С днём бухгалтера!, Скульптура "Пороки"., япсио, Она :), Она :), сдаюсь!!!!, Газель, однако, дверь, Пищалка-2, пищалка-1, Фильтр, ДВС со снятой клапанной к..., ОВД, ааа, антигравий, антигравий, NIKK, Монстр, Чётречо, Крокодайл, ..., идите...., 1аватарка, 1бутсы213, Мадж, Дом-БАЯН, инструкция к эквалайзеру, Мега с воздуха, накл, Хомяк гуляить, Киев 5-8 окт, Киев 5-8 окт, Инструмент, аиыдлпи, И я, и еще, еще рамка, рамка, 11123, вау, тртртр, лифт, пискун, 423, sss, Сиду, sfhsdh, H4, Oki, Ph3, Ph2, ph1, Свеча, Дурь :), dtp, Андерсон, Вася, Аквариум 2, Внешний фильтр, Аквариум, Сп, Фуфайка, Авария на Тверской Ямской 3, Авария на Тверской Ямской 2, Авария на Тверской-Ямской, Карнивал, ДПС, 11, 12, 12, 11, Свин, Танк, 12351, Малиновка2, 5000-7, Малиновка, 5000-6, 5000-5, 5000-4, 5000-3, 5000-2, 5000-1, 5000 рэ, zzz, ржа в КИЖЕ, выработка диска, Совершенно секретно ;), Вот что бывает, Гы, решетка, Результаты, свет, ниссан х трейл, М2, М2, скол2, скол, После (капот2), После (капот), После (дверь), Процесс "реакции", Процесс натирки, До полировки (капот), До полировки (двери), Масло, Autococker, Аватар Ландскнехту, Дневник авто, Колхозная противоугонка, мое), Тайга, Кровать, Малиновка, arg, Tuning ), Рекорд, Мой юзербар, Аццкий пробег, муфта, _Alex_ RIO, _Alex_ RIO, KIA из космоса, из Космоса, озеро AGT, печка дачи AGT, Дача AGT, Визитки, Clarus 1, Коренной шотландец ;), Конкурентов нет, ааа, PTF, PTF, PTF, PTF, PTF, PTF, мм, Merida Kalahari 510, МЕДВЕД2, МЕДВЕД1, жуть, ййй, ййй, ййй, ййй, ййй, disk3, disk2, disk1, подиум, Недостаток (мелкий), Комп., Велотренажер, Билайн-4, Билайн-3, Билайн-2, Билайн-1, Бузулук, ГУ, ГУ, локер-2, локер-1, Вотка!!!, Брелочек, ДТП. Дмитр.ш. МО., ДТП. Дмитр.ш. МО., ДТП. Дмитр.ш. МО., Приз за 1 место, Призы за 2 и 3 места, гарантия, Съемник, стол, разное, Мусор, 112, 111, Жабры, Бирюзовый, Зашкуренные диоды, Эстония, Юзербар 2, KIA RIO, бордачек, Мой юзербар, 2106, userbar, Отпуск, дача, жду гостей, натюрморт, Харнесс, Харнесс, переправа 2006, new nexia?, Штатный динамик Спектры, Таблица вязкости масел по..., Или так? :), Так :), Рабочий стол, во,наконец, фиговина 2, фигня2, сорванная фигня, глушак, Масло, Замена масла., ннн, Досуг, Фигня с суппортом новым, Фигня с суппортом новым, Фигня с суппортом новым, Фигня с суппортом новым, Фигня с суппортом новым, Фигня с суппортом новым, Фигня с суппортом новым, Облава 2, Облава, па, бирка, yyy, NEW Magentis, Ест в Маке, Не ест в Маке, Хо, Хонда, ааа, жл, до, l., lk,, счет, ИЭ2000, ИЭ1997, то, жарко, Сцуко фашистская, shuma, shuma, shuma_tuning, MCGirl, саб, саб, 0008, 0007, 0006, 0005, 0004, 0003, 0002, 0001, Перегар, РВ, Проводка под твитеры, Завтрак модератора, авария, авария, 14, тент 2, тент, Общак, кларус3, кларус 2, мой кларус, саб, саб, саб, саб, саб, саб, саб, саб, саб, саб, Балтика, Карта, пду, пду, пду, пду, пду, пду, пду, Ёжик, фото, Че бы нарисовать?, Спектра диски, Спектра Шильдики, Спектра Решетка3, Спектра Решетка2, Спектра решетка1, А нах, Хаммер 2, Хаммер 1, фальшпол, фальшпол, Дурдин, Атака, Перед атакой, Обороняемся, Перед боем, саб, саб, саб, Орлы не нуждаются в предс..., Жена и потомство Фёдора, Место встречи2, Место встречи, заправка кондея в нексикоме, заправка кондея в нексикоме, заправка кондея в нексикоме, заправка кондея в нексикоме, ир, ир, ир, ир, ир, ир, ир, ир, ир, ир, ир, ир, Вот мы все и собрались 25..., Минометик 2, Пушечка 2, Миномет, РПГ, Базука, Пушечка для пейнтбола 180..., Адлер пляж, Москва маг. Твой дом на МКАД, подиум ,рио, подиум ,рио, подиум ,рио, подиум ,рио, стойка, стойка, Фотожаба, var2, var1, xxx, zzz, правый левый руль, Двигло КИА Спортаге-1 2002г, Фильтр, Кларус. Ржачина 2., Кларус. Ржавчина, ... с духовкой, варочная поверхность, шумоизоляция в рио, шумоизоляция в рио, шумоизоляция в рио, шумоизоляция в рио, шумоизоляция в рио, ФАК погибший двигатель Со..., ФАК погибший двигатель Со..., ФАК погибший двигатель Со..., ФАК погибший двигатель Со..., ФАК погибший двигатель Со..., ФАК погибший двигатель Со..., Такая хрень, Подкр., Где бензонасос в РИО, Движки 1.5 DOHC и SOHC, Моя Сиротка3, Моя Сиротка2, Моя Сиротка1, хм..., хм..., Фара1, Фара, хюндай, подиум ,рио, подиум ,рио, подиум ,рио, подиум ,рио, подиум ,рио, подиум ,рио, подиум ,рио, подиум ,рио, подиум ,рио, подиум ,рио, парктроник, шумоизоляция в рио, шумоизоляция в рио, шумоизоляция в рио, шумоизоляция в рио, шумоизоляция в рио, шумоизоляция в рио, шумоизоляция в рио, шумоизоляция в рио, шумоизоляция в рио, шумоизоляция в рио, шумоизоляция в рио, шумоизоляция в рио, шумоизоляция в рио, шумоизоляция в рио, шумоизоляция в рио, шумоизоляция в рио, шумоизоляция в рио, шумоизоляция в рио, шумоизоляция в рио, шумоизоляция в рио, шумоизоляция в рио, шумоизоляция в рио, шумоизоляция в рио, шумоизоляция в рио, шумоизоляция в рио, шумоизоляция в рио, Рамка двери, Крыло НЕ торчит (отраж.), Крыло торчит, Крепим номер, cargo2, Cargo, ниачом, ты с нами, Ондатра вынырнула из полы..., Спасите-помогите!, Горим!, Пожар!, Пожар!, Следы колесиков :), Незнакомец..., багажник, багажник, мафина, ююю, ббб, ььь, ттт, иии, ммм, ссс, сс, ффф, штатная музыка, йцу, ккк, Палка, Ухо, Ну защита, без слов2, без слов, shuma, ELA, Отдых наверно, Цветы, Телевизор + навигация для..., Гск, Вывеска, наши добрые китайские дру..., ФАк, ФАК, СК, цветы, плакат, номер, сн, спецназ США, понедельник, вещи СССР, руль, 2 дин, сос, техцентр1, техцентр, Наклея синяя, Наклея черная, бампер spectra1, бампер spectra, Яндекс, Баян, мядаль :), auto, Рамка, фанские, войска вв, знак, А это моё1, А это моё, 85, 84, 83, 80, Самец, Карты, Онега август 2005, полет, вариант 2, Мафон, вариант 1, Гриб спер, "Сладкая" парочка, Прыжок 3, Прыжок 2, Прыжок, Морошка, 111, Жопа2, Жопа1, Нивка, 22, mo, порыбачим..., Кхе-кхе, Мощный, 123321, Весна 2, ООО, Уууууууууууу, Наммер2, Весна, ту-160, самолет, в1, ваз 2122, У нас тоже весна, У нас тоже весна, собака, 123, 111, PDF, Девичья аватара, зеркало, Спойлер 2, Усилитель, Спойлер 1, Спойлер, Кеша и Юмо, цветы, 444, ФАК, Новый Акцент, Фак, Фак, Фак, Фак, Фак, Фак, Фак, Фак, aaa, боевой кот, ФАК, Логитипы, Партнерка, Спойлер, Логитипы, слив масла, Ефремов Михаил, подняли, на подъемнике, хома, лейбл, коврики, Спортаж, Астра, 444, 333, yt, logo, Протестанты!, Карта, Кружка для ОКО, План, почти спортаж, картинка, Авелла жжОт, Опен, Ящик для Спортажки, Бампер, работа, книжка, замена ГРМ, sanyo, агитплакат, Треснула, блин!, муха 2, муха, kot, захват, start, не заводится, Для москвичей, Дрозд, Сервис, такая, задумаемся?, как так?, гы, напилася я пьяна, поиграем в мячик?, ukr, Суповой набор..., Интим-Ломбард, Горький, Партизаны, Фу, какая гадость!!!, Ночник, Ну не люблю я кошек..., Для кошколюбов, подарок, дрозд, шлем, шлем, Супердрагмонстр, СуперМегаКар, елка, Бензонасос. Рио. Заправил..., День энергетика, мега, штекер 2, штекер 1, Санта Мария, Санта Мария, Санта Мария, Санта Мария, Свечи. Рио2. Пробег 52т.км., Свечи. Рио2. Пробег 52т.км., Для инструкции по вставке..., Для инструкции по вставке..., Для инструкции по вставке..., Для инструкции по вставке..., Отпустите домой, так будем праздновать, вы с нами?, Ульяновск. Ту-144, Ульяновск. Ту-144, Ульяновск. Ту-144, Ульяновск. Ту-144